Wenzhou Joepai Valve Co., Ltd.
Wenzhou Joepai Valve Co., Ltd.
Berita

Berita

Mengapa Injap Bebola Bertekanan Tinggi Keluli Tempa 3 Keping Kos efektif kami ialah Pilihan Yang Baik?

Apakah Injap Bebola Tekanan Tinggi Keluli Tempa 3 Keping?

A Injap bola tekanan tinggi keluli palsu 3 kepingmerujuk kepada injap bola berkekuatan tinggi dengan struktur badan tiga keping yang disambungkan oleh bolt. Elemen penutupnya ialah bola yang dimesin dengan tepat, yang diputar di sekeliling garis tengah badan injap oleh batang injap untuk mencapai penutupan, pengedaran atau penukaran aliran medium dengan pantas.


Penerangan Produk

Injap bebola keluli tempa 3 keping mudah dikendalikan, padat, dimeterai dengan baik, struktur ringkas dan mudah diselenggara. Permukaan pengedap dan bola sentiasa dalam keadaan tertutup, menjadikannya kurang terdedah kepada hakisan oleh medium. Mereka digunakan secara meluas dalam pelbagai industri.

Badan injap dibentuk menggunakan proses penempaan, dan bahannya boleh menjadi keluli tahan karat (seperti F304, F316) atau keluli karbon (seperti A105). Bahan keluli palsu mempunyai ciri-ciri seperti struktur padat, sifat mekanikal yang sangat baik, dan rintangan hentaman yang kuat, menjadikannya sangat sesuai untuk keadaan kerja tekanan tinggi dan berkekuatan tinggi.

Mengikut keperluan sistem saluran paip, pelbagai kaedah sambungan boleh dipilih, seperti sambungan berulir(NPT,BSP-P(G),BSPT(Rc)), kimpalan punggung(BW), soket weldin(SW)g, atau sambungan bebibir, menawarkan pemasangan yang fleksibel dan kebolehsuaian yang kukuh.

Tekanan reka bentuk boleh mencapai sehingga 1500LB, menjadikannya sesuai untuk sistem pengangkutan tekanan tinggi dalam bidang seperti petroleum, industri kimia dan gas asli.


Piawaian Injap Bebola Keluli Tempa 3 Keping:

1) Piawaian Reka Bentuk dan Pembuatan: BS5351, MSS SP-118

2) Dimensi Akhir Sambungan: ANSI B16.10, JB/T1715

Dimensi Hujung Kimpalan Soket: ANSI B16.11, JB/T1715

Dimensi Hujung Berulir: ANSI B1.12.1, JB/T7306

Dimensi Hujung Kimpalan Punggung: ANSI B16.25, JB/T12224

3) Pengujian dan Pemeriksaan: API 598

4) Piawaian Bahan: ANSI/ASTM


3-Piece Forged Steel High-pressure Ball Valve


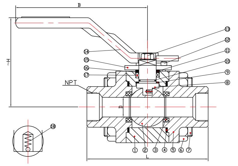
Jadual Bahan Utama:

Tidak. Nama Bahagian Keluli Karbon Keluli Tahan Karat
1 Badan A105 F304 F304L F316 F316L
2 bola SS304 F304 SS304L SS316 SS316L
3 tempat duduk PTFE, RPTFE
4 Gasket SS304/SS316 + Grafit
5 Cap A105 F304 F304L F316 F316L
6 kacang A194-2H A194-8 A194-8M
7 Bolt A193-B7 A193-B8 A193-B8M
8 Batang SS304 F304 SS304L SS316 SS316L
9 Pencuci Tujahan PTFE, RPTFE
10 O-cincin Viton
11 Kelenjar SS304 SS304 SS304 SS316 SS316
12 Bolt 1035
13 kacang Keluli Tahan Karat
14 pegang WCB, Keluli Tahan Karat
15 Pinggan Terhad 1025
16 Cegah Cincin Api SS304, SS316
17 Pembungkusan grafit
18 Musim bunga SS304, SS316


Jadual Dimensi Utama:

DN mm NPS(Inci) L mm D mm H mm
15 1/2” 92 13 66
20 3/4” 112 19 72
25 1” 126 24 100
32 11/4” 129 30 105
40 11/2” 152 38 112
50 2” 176 49 122


3-Piece Forged Steel High-pressure Ball Valve3-Piece Forged Steel High-pressure Ball Valve3-Piece Forged Steel High-pressure Ball Valve3-Piece Forged Steel High-pressure Ball Valve



Jaminan Pembuatan Profesional – Wenzhou Joepai Valve Co., Ltd.

Sebagai sebuah syarikat yang mengkhusus dalam penyelidikan, pembangunan dan pembuatan injap bola keluli tahan karat dan keluli karbon,Wenzhou Joepai Valve Co., Ltd.terletak di Taman Perindustrian Binhai Daerah Longwan, Wenzhou, yang dikenali sebagai "Bandar Injap China." Syarikat ini mempunyai pangkalan pengeluaran moden dan sistem kawalan kualiti yang komprehensif. Syarikat ini dilengkapi dengan:

Pusat R&D profesional dan peralatan pemesinan CNC

Instrumen ujian lanjutan (seperti instrumen analisis berbilang unsur komputer, penguji kekerasan Leeb dan tolok ketebalan)

Mesin ujian tekanan, mesin ujian kitaran hayat dan platform ujian proses penuh yang lain

Bergantung pada proses yang ketat dan inovasi berterusan, Joepai Valve memastikan bahawa setiap injap bola tekanan tinggi keluli tempa 3PC memenuhi keperluan prestasi standard tinggi, menyediakan pelanggan dengan selamat, boleh dipercayai danpenyelesaian injap tahan lama.


Berita Berkaitan
Tinggalkan saya mesej
X
Kami menggunakan kuki untuk menawarkan anda pengalaman menyemak imbas yang lebih baik, menganalisis trafik tapak dan memperibadikan kandungan. Dengan menggunakan tapak ini, anda bersetuju dengan penggunaan kuki kami. Dasar Privasi
Tolak Terima