Wenzhou Joepai Valve Co., Ltd.
Wenzhou Joepai Valve Co., Ltd.
Berita

Berita

JOEPAI Melancarkan Injap Pili Bomba 304 Keluli Tahan Karat Kos-Efektif Baharu – Rintangan Kakisan Unggul Memenuhi Piawaian AS2419.2

JOEPAIdengan bangganya memperkenalkan inovasi terbarunya dalam infrastruktur perlindungan kebakaran: theJulat BaharuInjap Pili Bomba 304 Keluli Tahan Karat. Dicipta untuk ketahanan, pematuhan dan nilai, injap ini menawarkan aalternatif yang unggul kepada model tembaga tradisional—menyampaikan ketahanan kakisan yang dipertingkatkan pada titik harga yang lebih kompetitif.

Direka mengikutAS/NZS 2419.2:2009, injap pili bomba baharu sesuai untuk pelbagai aplikasi, termasuk sistem kebakaran komersial, perindustrian dan kediaman, terutamanya dalampersekitaran yang agresif seperti marin dan perlombongan.


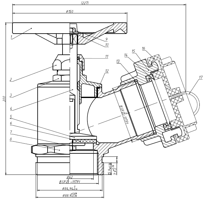
Stainless Steel 304 Fire Hydrant Valves

Sorotan Produk:

Jenis Benang: Penyesuai Storz Tempa BSP 65mm bersudut dengan Penutup Plastik UV

Jenis Masuk: 80mm Gulungan Beralur

Gred Bahan: Badan, Bonet, Cakera, Kacang dalam CF8 (SS304); Batang dalam SS316 untuk kekuatan yang dipertingkatkan

Bahan Meterai: Getah NBR untuk prestasi kalis bocor yang boleh dipercayai

Roda tangan: Besi tuang HT200 tahan lasak

Selesai: Salutan dicat merah keterlihatan tinggi

Tekanan Kerja: 1,400 kPa

Tekanan Ujian Hidrostatik: 2,700 kPa

Tekanan Ujian Keketatan Udara: 800 kPa

Waranti: 12 bulan


Pematuhan Teknikal:

Direka dan diuji untukAS2419.2-2009

Operasi roda tangan yang lancar tanpa gangguan selepas pemasangan

100% diperiksa dan diuji—tiada kecacatan selepas ujian hidrostatik dan keketatan udara


Mengapa Memilih SS304 Daripada Loyang?

Rintangan Kakisan yang Lebih Baik: Sesuai untuk persekitaran yang keras di mana loyang boleh merosot dari semasa ke semasa

Kos-Efektif: Menawarkan penyelesaian yang lebih berpatutan tanpa menjejaskan kualiti atau prestasi

Ringan Namun Kuat: Lebih mudah dikendalikan dan dipasang sambil mengekalkan integriti struktur


Konfigurasi Lain yang Tersedia:

65mm NSW Lelaki x 80mm Roll Beralur

65mm CFA Lelaki x 80mm Roll Beralur

65mm QRT Lelaki x 65mm BSP Lelaki

65mm BI x 80mm Gulungan Beralur

65mm QRT Lelaki x 80mm Roll Beralur

Penyesuai Storz 65mm x BSP Lelaki 65mm

Sama ada anda sedang menaik taraf sistem sedia ada atau menentukan projek baharu, injap pili bomba SS304 JOEPAI yang baharu menawarkankeseimbangan sempurna prestasi, pematuhan dan kemampuan.

Hubungi kami hari iniuntuk mengetahui lebih lanjut atau meminta sebut harga.

Berita Berkaitan
Tinggalkan saya mesej
X
Kami menggunakan kuki untuk menawarkan anda pengalaman menyemak imbas yang lebih baik, menganalisis trafik tapak dan memperibadikan kandungan. Dengan menggunakan tapak ini, anda bersetuju dengan penggunaan kuki kami. Dasar Privasi
Tolak Terima